- Detalles
- Escrito por: oscarrodfer
- Categoría: Proyectos
- Visitas: 59
En programando facil realizaron un proyecto que parece interesante sobre como montar un sistema asistido de aparcamiento.
Os dejamos el video del proyecto:
Esquema electrico
Os dejamos el esquema electrico de conexion:

Prototipo


Repositorio
- Detalles
- Escrito por: oscarrodfer
- Categoría: Proyectos
- Visitas: 44
Objetivo y Funcionamiento del Juego
Este juego está diseñado para dos jugadores, aunque también se puede jugar en solitario, presionando ambos botones. La idea es que una “pelota”, representada por una fila de LEDs, se mueva de un lado a otro de la pista. Los jugadores deben presionar un botón cuando el LED amarillo (que representa la “pelota”) llegue a su lado de la pista. Si la “pelota” alcanza el LED rojo, el juego se detiene y pierde el jugador que falló.
- Objetivo: Presionar el botón cuando la “pelota” (LED amarillo) llegue a tu lado para devolverla al oponente, evitando que toque el LED rojo.
- Puntuación: Cada vez que el LED amarillo es pulsado a tiempo, la “pelota” rebota al lado contrario, aumentando la dificultad y la velocidad.
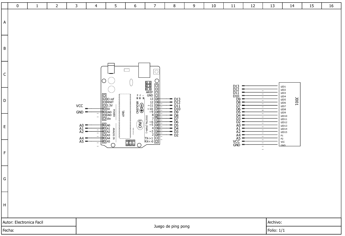
Listado componentes
Esquema electrico

Repositorios
Placa J001
Se ha realizado una placa en pcb para poder jugar mejor con el juego, esta placa se conectará con el arduino a traves de unos cables. Ten en cuenta que esta placa no contiene el arduino.

- Detalles
- Escrito por: oscarrodfer
- Categoría: Proyectos
- Visitas: 36
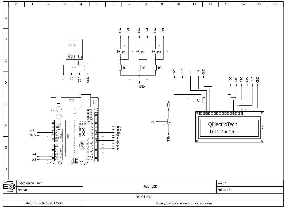
Con este proyecto podremos regular la fecha y la hora actual. Para ello, nos apoyaremos en un arduino, el modulo RTC DS3231 y una pantalla LCD.
Lista de componentes
1 x Arduino uno
1 x Pantalla LCD
1 x Potenciometro de 10K
3 x Resistencias de 10K
1 x Resistencia 220 Ohmios
3 x Pulsadores
Esquema electrico

Repositorios
- Detalles
- Escrito por: oscarrodfer
- Categoría: Proyectos
- Visitas: 36
Lista de materiales
2 x Arduino NANO/UNO
2 x NRF24
2 x interruptor de dos posiciones
2 x 3.3V voltage regulator LD1117V33
1 x 9V bateria
2 x Condensador 10uF
Modulo transmisor
En una placa de pruebas, conecta el transmisor y el Arduino con un solo potenciometro conectado al pin analogico A0. Usa este esquema de ejemplo. Asegurate de que las conexiones SPI sean las mismas que en el esquema. Tambien puedes enrollar la tierra alrededor de los cables MOSI Y MISO para reducir el ruido.

Modulo receptor
En el modulo receptor se utilizará el monitor serie del arduino a una velocidad de transmisión de 9600 baudio, para imprimir los datos recibidos del valor del potenciometro del modulo transmisor. Para ello, necesitaremos tener el modulo del receptor conectado al ordenador para poder visualizar los datos transmitidos.
